Heizraum mit einer ELCO Hybrid-Heizung

Hybrid-Wärmepumpe: Kombinationen von Gas über Pellet bis Öl

Die Wärmepumpe gilt als die Heiztechnologie der Zukunft. Aus dem ihr zugeführten Strom gewinnt sie ein Vielfaches an Wärme. Damit ist sie in den meisten Anwendungsfällen deutlich effizienter als Öl- und Gasheizungen. Doch es gibt auch Szenarien, in denen eine Wärmepumpe weniger effizient arbeitet. Das gilt beispielsweise bei sehr niedrigen Außentemperaturen im Winter, vor allem in Gebäuden mit einem geringen Dämmstandard. Genau hier setzt eine Hybrid-Wärmepumpe an. Sie kombiniert eine Wärmepumpe mit einer weiteren Heizungsart wie einer Gas-, Öl- oder Pelletheizung und greift immer auf den Energieträger zurück, der gerade am effizientesten ist. Wie genau das funktioniert, was eine Hybrid-Wärmepumpe kostet und welche Kombinationsmöglichkeiten es gibt, erklären wir auf dieser Seite.
 

Grenzen von Wärmepumpen

Trotz der vielen Vorteile haben Wärmepumpen auch Schwachstellen. Das gilt beispielsweise dann, wenn ein deutliches Gefälle zwischen der gewünschten Innentemperatur und der Außentemperatur herrscht, wie es beispielsweise an sehr kalten Wintertagen der Fall ist. Dann steigt der Stromverbrauch und damit auch die -kosten. 

Dieser Effekt verstärkt sich in Immobilien mit einem geringen Dämmstandard. In schlecht gedämmten Immobilien geht mehr Wärme verloren. Um diesen Wärmeverlust auszugleichen, muss die Wärmepumpe deutlich mehr leisten. Neben dem Dämmstandard der Immobilie, wird die Effizienz einer Wärmepumpe auch durch die Art der Wärmeverteilung beeinflusst. Großflächige Wärmeverteiler wie eine Fußbodenheizung kommen mit niedrigeren Vorlauftemperaturen aus als Heizkörper und steigern so die Effizienz einer Wärmepumpe. 

Im Vergleich zu einem gut gedämmten Neubau mit Fußbodenheizung sind Wärmepumpen in Altbauten aufgrund der Heizkörper und des geringeren Dämmstandards meist weniger effizient. Dennoch arbeiten sie auch in Altbauten meist effizienter als andere Heizungssysteme wie Öl- und Gasheizungen. Zu diesem Ergebnis kommt auch ein Feldtest des Fraunhofer-Institut für Solare Energiesysteme ISE.

Wann eine Zusatzheizung einspringt

Während eine Wärmepumpe also die meiste Zeit des Jahres eine effiziente Heizlösung darstellt, stößt sie vor allem in schlecht gedämmten Immobilien bei niedrigen Außentemperaturen an ihre Grenzen. Ein weiterer Einflussfaktor, der sich negativ auf den Stromverbrauch der Wärmepumpe auswirkt, ist die Wärmeverteilung über Heizkörper statt einer Fußbodenheizung. Ein solches Szenario lässt sich vor allem in Altbauten antreffen.

Genau hier macht eine Hybrid-Wärmepumpe Sinn. Sie kombiniert eine Wärmepumpe mit einem weiteren Brennstoff. Meist handelt es sich dabei um eine Öl- oder Gasheizung. Letztere haben den Vorteil, dass ihre Effizienz auch bei hohen Vorlauftemperaturen vergleichsweise konstant bleibt.

 

Intelligente Heizungssteuerung

Das Herzstück – oder besser gesagt, das Gehirn – der Hybrid-Wärmepumpe bildet die Heizungssteuerung. Sie hat die Aufgabe, auf den Brennstoff zurückzugreifen, der unter den aktuellen Umständen am effizientesten ist. Zumeist übernimmt die Wärmepumpe die Grundlast, während die Pellet-, Gas- oder Ölheizung zu Spitzenlastzeiten einspringt. 

In der Praxis sieht das meist so aus, dass die Wärmepumpe das Heizen bei mildem Wetter bis etwa 5 °C übernimmt. Fällt die Temperatur darunter, sinkt der Wirkungsgrad der Wärmepumpenheizung und die Zusatzheizung springt ein. Bei einem sehr hohen Heizbedarf kann es dabei durchaus auch vorkommen, dass beide Heizungsarten im Parallelbetrieb laufen. Wo genau der Kipppunkt liegt, ab wann sich der eine Brennstoff gegenüber dem anderen mehr lohnt, unterscheidet sich je nach den individuellen Voraussetzungen wie dem Dämmstandard der Immobilie und der Art der Wärmeverteilung. Deshalb ist es wichtig, dass die Einstellung der Heizungssteuerung von einem erfahrenen Fachbetrieb vorgenommen wird.

Die häufigsten Kombinationen, Vor- und Nachteile

Bei der Entscheidung für eine Hybrid-Wärmepumpe, beispielsweise in einem Altbau, stellt sich vor allem die Frage nach der passenden Zusatzheizung. Wichtig ist, dass diese die Schwächen der Wärmepumpe ausgleicht und sich beide Heizungen zu einem kostenoptimalen und effizienten Gesamtsystem ergänzen:

  • Gas-Wärmepumpe: In den meisten Fällen kommt eine Gas-Brennwertheizung als Hybridheizung zum Einsatz. Sie stellt hohe Vorlauftemperaturen ohne Effizienzeinbußen bereit und eignet sich somit auch für ältere Heizkörper und wenig gedämmte Gebäude. Nachteil von Gas ist, dass es sich um einen fossilen Brennstoff handelt. Das schlägt sich auch in zusätzlichen Betriebskosten in Form der CO2-Steuer nieder. 
  • Öl-Wärmepumpe: Ähnlich wie Gas bildet auch eine Ölheizung eine sinnvolle Ergänzung zur Wärmepumpe im Altbau. Denn anders als beim Heizen mit Umweltwärme kommt es bei Ölheizungen zu keinem relevanten Effizienzverlust durch hohe Vorlauftemperaturen. Nachteil einer Hybrid-Wärmepumpe in Kombination mit Öl ist, dass diese einen Heizöltank und somit deutlich mehr Platz benötigt als eine Gas-Wärmepumpe. 
  • Pellet-Wärmepumpe: Während Öl- und Gas-Hybridheizungen einen fossilen Brennstoff nutzen, basiert die Kombination mit Pellets, Hackschnitzel oder Scheitholz auf regenerativen Energiequellen. Damit ist eine Pellet-Wärmepumpe vollständig förderfähig. Im Gegensatz dazu erhält bei Hybridheizungen mit Öl und Gas als Heizungsunterstützung lediglich der Wärmepumpen-Teil der Heizung eine Förderung.

 

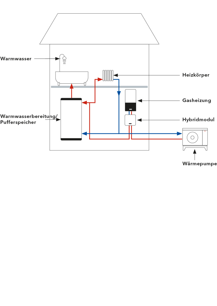
Schematische Darstellung eines ELCO Hybridsystems mit Wärmepumpe und Gas-Brennwertgerät.

 
 

Wärmepumpe mit Photovoltaik

Eine weitere sinnvolle Kombinationsmöglichkeit von Wärmepumpen ist die Ergänzung mit einer Photovoltaikanlage. Diese bildet jedoch keine Hybridheizung im eigentlichen Sinne. So handelt es sich bei der Kombination aus PV und Wärmepumpe nicht um die Ergänzung zweier Heizsysteme, sondern um zwei verschiedene Bereiche der Energieversorgung eines Haushalts. Während die Wärmepumpe Warmwasser und Raumwärme bereitstellt, liefert die Solaranlage Strom. Da Wärmepumpen für ihren Betrieb jedoch Strom benötigen, bietet Solarstrom eine gute Möglichkeit, die Heizkosten zu senken und die Unabhängigkeit von Energieversorgern zu erhöhen.

Kosten und Förderung

Der Preis einer Hybrid-Wärmepumpe hängt vor allem davon ab, welche Heizungsart als Unterstützung zum Einsatz kommt. Die Anschaffungskosten in Kombination mit einer Öl- oder Gasheizung liegen zwischen 20.000 und 35.000 Euro. Die Kosten für eine Pellet-Wärmepumpe belaufen sich auf 28.000 bis 40.000 Euro. 

Da Hybridheizungen aus mindestens zwei Heizungssystemen bestehen, fallen die Installations- und Anschaffungskosten deutlich höher aus als bei monovalenten Heizungen. Dafür profitieren Haushalte jedoch von niedrigeren Betriebskosten. Darüber hinaus bietet der Staat attraktive Förderungen von mindestens 30 Prozent für den Wechsel von einem fossilen Brennstoff auf eine Hybrid-Wärmepumpe. Förderfähig ist dabei allerdings lediglich der regenerative Teil der Heizung. 

Beim Einbau einer Gas-Wärmepumpe bezuschusst der Staat demnach ausschließlich die Wärmepumpe und nicht die Gasheizung. Handelt es sich um ein Kombigerät, in das beide Heizungssysteme integriert sind, dann gilt die Förderung pauschal für 65 Prozent der Anschaffungskosten der gesamten Heizungsanlage.

 

 
 

Unsere hybridfähigen Premium-Wärmepumpen

Alle Wärmepumpen in der Übersicht

 
 

Kontaktieren Sie uns.

Sie haben Fragen oder Wünsche?
Wir freuen uns über Ihre Kontaktaufnahme.

Oder nutzen Sie unser Kontaktformular. Wir werden uns schnellstmöglich mit Ihnen in Verbindung setzen.